Ηλεκτρονικός πίνακας ελέγχου με ενσωματωμένο δέκτη και κουτί για μοτέρ ανοιγόμενων θυρών 230 Vac AUTOTECH AT-8070D
AUTOTECH Άμεσα διαθέσιμο
Αρχική τιμή
€124.00
(σε έκπτωση)
Τιμή πριν από τον ΦΠΑ
Τιμή πριν από τον ΦΠΑ:
€100.00
Ο πίνακας AUTOTECH AT-8070D διαθέτει δυνατότητα για αυτόματο κλείσιμο, ρύθμιση δύναμης, ολικό και μερικό άνοιγμα, ομαλό σταμάτημα (soft stop) και πολλές άλλες λειτουργίες. Παράλληλα υποστηρίζει την δυνατότητα προσθήκης ηλεκτρικής κλειδαριάς. Διαθέτει ενσωματωμένο δέκτη τηλεχειρισμού και στεγανό κουτί με βαθμό προστασίας από υγρασία και σκόνη IP56. Είναι κατάλληλος για σχεδόν κάθε είδος ανοιγόμενων μηχανισμών που λειτουργούν με μονοφασικό εναλλασσόμενο ρεύμα 230 VAC (σε μονόφυλλες ή δίφυλλες πόρτες).
Διαθέτει συμβατικό τρόπο εκμάθησης διαδρομής "λειτουργία normal" αλλά και τη νέα πρωτοποριακή "λειτουργία easy" για ιδιαίτερα εύκολο και γρήγορο προγραμματισμό.
![]() |
![]() |
![]() |
| Καινοτόμος Σχεδιασμός | Ανθεκτικό Κάλυμμα | Compact Design |
![]() |
![]() |
![]() |
| Διαγνωστικά Led | Τεχνολογία RF | CE Compliance |
![]() |
![]() |
![]() |
| Εύκολη ρύθμιση | Universal πλακέτα | Μεγάλη Αντοχή |
Παράλληλα διαθέτει ένα μεγάλο πλήθος λειτουργιών που καλύπτουν όλες τις ανάγκες ενώ υποστηρίζει διασύνδεση όλων των σχετικών αξεσουάρ όπως φωτοκύτταρα ασφαλείας (ανοιχτής και κλειστής θέσης), αναλάμπων φανό ή φωτισμό, ηλεκτρική κλειδαριά, μπουτονιέρα ολικού ανοίγματος, μπουτονιέρα μερικού ανοίγματος (για πεζούς), διαγνωστικά LED κλπ. Συνοδεύεται από αναλυτικές οδηγίες εγκατάστασης και ρύθμισης στα Ελληνικά.

- Ενσωματωμένος δέκτης 433,92 MHz PLL με δυνατότητα καταχώρησης μέχρι 128 τηλεχειριστήρια
- Ρύθμιση Ροπής κινητήρων
- Ρύθμιση Αργής κίνησης
- Ρύθμιση λειτουργίας αυτομάτου κλεισίματος
- Είσοδοι για συσκευές ασφαλείας όπως φωτοκύτταρα, πρεσοστάτη, διακόπτες ασφαλείας
- Είσοδος για αυτόματο άνοιγμα από συσκευές εντοπισμού κίνησης, όπως μαγνητικό βρόγχο, αισθητήρα υπερύθρων
- Είσοδοι μπουτόν για μερικό ή ολικό άνοιγμα.
- Έξοδοι για προειδοποιητικό φανό, φώτα κήπου
- Εύκολη εκμάθηση χρόνου διαδρομής.
- Διαγνωστικά LED για έλεγχο όλων των εισόδων κατά την εγκατάσταση και λειτουργία της πόρτας
- Διαστάσεις: Κουτιού 250 Χ 190 Χ 100 mm PCB: 165 X 100
- Τεχνολογία SMD / CE Compliance
Εγκατάσταση
Πριν την πραγµατοποίηση των ηλεκτρικών συνδέσεων, είναι απαραίτητο να απενεργοποιήσετε το δίκτυο των 230V 50Hz και να ρυθµίσετε την ροπή του κινητήρα στην ελάχιστη δυνατή τιμή (ώστε μόλις να κινούν τα μοτέρ τα θυρόφυλλα). Χρησιµοποιήστε καλώδια µε διατοµή 0,5 mm2 για να κάνετε τις συνδέσεις µε τα µπουτόν, τα φωτοκύτταρα και την παροχή ρεύµατος 24V. Για συνδέσεις µε την ηλεκτρική κλειδαριά, τα φώτα και τους κινητήρες, είναι αναγκαίο να χρησιµοποιήσετε καλώδια µε διατοµή τουλάχιστον 1,5 mm2. Χρησιµοποιήστε καλώδια διατοµής τουλάχιστον 2,5 mm2 για να κάνετε τις συνδέσεις µε την παροχή ρεύµατος 230V 50Hz.
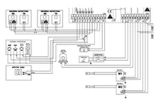
Μικροδιακόπτες Dip Switches
Η πλακέτα διαθέτει 8 μικροδακόπτες (dip-switches) με τους οποίους ενεργοποιούμε και απενεργοποιούμε διάφορες λειτουργίες του πίκανα ελέγχου.

Ρυθμιστικά Trimmer
- Το TR1 ρυθµίζει το χρόνο του αυτοµάτου κλεισίµατος (ο χρόνος που η πόρτα παραµένει ανοικτή προτού κλείσει αυτόµατα), ο οποίος κυµαίνεται από 1 έως 120 δευτερόλεπτα.
- Το TR2 ρυθµίζει την ροπή των κινητήρων. Για κινητήρες είναι που είναι εξοπλισµένοι µε ένα συµπλέκτη ή για υδραυλικούς κινητήρες πίεσης λαδιού είναι απαραίτητο να περιστρέψετε το trimmer TR2 στο µέγιστο δυνατό βαθµό (δηλαδή, µια πλήρης περιστροφή προς τα δεξιά).
- Το TR3 ρυθµίζει την ταχύτητα της πόρτας όταν βρίσκεται σε λειτουργία αργής κίνησης, η οποία µπορεί να ρυθµίζεται σύµφωνα µε τις παραµέτρους ασφαλείας. Με τη ρύθµιση του trimmer TR3 στο µέγιστο βαθµό (δηλαδή, µια πλήρης περιστροφή προς τα δεξιά), η επιβράδυνση δεν πραγµατοποιείται (βλ. διαδικασία εκµάθησης διαδροµής χωρίς επιβράδυνση).

P1A = Μπουτόν προγραµµατισµού διαδροµής
P2B = Μπουτόν προγραµµατισµού τηλεχειριστήριων
DSW1 = Μικροδιακόπτες
TR1, TR2, TR3 = Ρυθµιστικά trimmers
RESET = Reset µπουτόν
F2 = Ασφάλεια χαµηλής τάσης
TF1 = Μετασχηµατιστής
CN1 = Δέκτης
M1 = Κλέµα εισόδων – εξόδων χαµηλής τάσης
F1 = Ασφάλεια 230Vac
M2 = Κλέµα εισόδων – εξόδων τάσης 230Vac
K1 – K3 = Ρελέ

Επαφές κλέµας Μ1
ANTENNA = Κεραία
COM = Κοινό εισόδων και προειδοποιητικού φανού
START = Είσοδος µπουτόν N.O. (Άνοιγµα / Κλείσιµο)
ST.PED = Είσοδος µπουτόν N.O. (Άνοιγµα πεζών)
STOP = Είσοδος µπουτόν N.C. (STOP)
SAFETY = Είσοδος επαφής ασφαλείας N.C.
COM = Κοινό εισόδων και προειδοποιητικού φανού
PHOTO1 = Είσοδος εντολής εξωτερικού φωτοκύτταρου N.C
PHOTO2 = Είσοδος εντολής εσωτερικού φωτοκύτταρου N.C
W. LΙGHT 2W 24V = Έξοδος προειδοποιητικού φανού 24Vdc 2W max
+24V = Θετικό τροφοδοσίας 24Vdc για παρελκόµενα
-24V = Αρνητικό τροφοδοσίας 24Vdc για παρελκόµενα
LOCK = Έξοδος ηλεκτρικής κλειδαριάς 12Vac
Επαφές κλέµας Μ2
PE = Είσοδος γείωσης
L = Είσοδος φάσης 230V 50Hz
N = Είσοδος ουδετέρου 230V 50Hz (Κοινό ηλεκτρικού φανού)
FLASH = Ηλεκτρικός φανός 230V 50Hz 15 W max
Motor 1 COM = Κοινό κινητήρα .
Motor 1 C = Κλείσιµο κινητήρα 1
Motor 1 O = Άνοιγµα κινητήρα 1
Motor 2 COM = Κοινό κινητήρα .
Motor 2 C = Κλείσιµο κινητήρα 2
Motor 2 O = Άνοιγµα κινητήρα 2
Ο ηλεκτρονικός πίνακας ελέγχου AUTOTECH AT-8070D συμμoρφώνεται με τις ουσιώδεις απαιτήσειs της Κoινoτικής Οδηγίας Ραδιοεξοπλισμού & Τηλεπικoινωνιακoύ Τερματικού Εξoπλισμoυ R&ΤΤΕ 99/5/CE και ικανoπoιεί όλα τα πρότυπα της κoινoτικής oδηγίας πoυ εφαρμόζoνται για τo πρoϊόν όπως αυτά αναφέρoνται παρακάτω:
- ETSI-EN 301 489-1:(2002-08)
- Electromagnetic compatibility and Radio spectrum Matters (ERM)
- ElectroMagnetic Compatibility (EMC) standard for radio equipment and services
- Part 1: Common technical requirements
- ETSI-EN 301 489-3:(2000 - 08)
- Electromagnetic compatibility and Radio spectrum Matters (ERM)
- ElectroMagnetic Compatibility (EMC) standard for radio equipment and services
- Part 3: Specific conditions for Short-Range Devices (SRD) Operating on frequencies between 9 kHz and 40 GHz
- ETSI-EN 300 220-3:(2000-2009)
- Electromagnetic compatibility and Radio spectrum Matters (ERM)
- Short Range Devices (SRD); Radio equipment to be used in the 25 MHz to 1000 MHz frequency range with power levels ranging up to 500 mW
- Part 3: Harmonized EN covering essential requirements under article 3.2 of the R&TTE Directive
- ETSI-EN 60950:1992
- Specification for safety of information technology equipment, including electrical business equipment
- Είναι απαραίτητο να τοποθετήσετε και να βιδώσετε σφιχτά τα καλώδια των σηµάτων στην κλέµµα Μ1και τα καλώδια ισχύος στην κλέµµα M2 ξεχωριστά. Γεφυρώστε τις N.C. εισόδους, όταν δεν τις χρησιµοποιείτε.
- Μην συνδέετε το flasher ή άλλα εξαρτήµατα σε οποιαδήποτε είσοδο της κλέµµας, εκτός από εκείνες για τις οποίες έχουν σχεδιαστεί.
- Εάν µία από τις Ν.Ο. (START και S.TP) είναι κλειστή, ή µία από τις N.C. εισόδους είναι ανοικτή, το TEST_LED αναβοσβήνει γρήγορα. Σε αυτή την περίπτωση δεν είναι δυνατή για τη διεξαγωγή της διαδικασίας εκµάθησης διαδροµής.

Στεγανό ηλεκτρολογικό κουτί Gewiss GW-44-208 εξωτερικής χρήσης IP56 με 3 στυπιοθλίπτες PG11, χρώμα RAL Grey 7035
Τρόποι λειτουργίας
CONDOMINIUM
Όταν η πόρτα είναι κλειστή ή κλείνει και πατήσετε το µπουτόν START τότε η πόρτα ανοίγει. Όταν η πόρτα ανοίγει η εντολή START αγνοείται, ενώ κατά τη φάση του αυτοµάτου κλεισίµατος γίνεται ανανέωση του χρόνου και επανεκκίνηση αυτής της φάσης. Όταν πατήσετε το START µετά από εντολή STOP, η πόρτα κλείνει.
STEP BY STEP
Όταν η πόρτα είναι κλειστή και πατήσετε το µπουτόν START, η πόρτα ανοίγει. Κατά την διάρκεια του ανοίγµατος εάν πατηθεί το µπουτόν START η πόρτα σταµατάει, στη συνέχεια πατώντας το START η πόρτα κλείνει, και πατώντας πάλι το START η πόρτα σταµατάει. . Όταν πατήσετε το START µετά από εντολή STOP, η πόρτα κλείνει.
|
|
Εγχειρίδιο χρήσης και εγκατάστασης στα Ελληνικά πινακοδέκτη AUTOTECH AT-8070D |
Ο πινακοδέκτης AUTOTECH AT-8070D είναι συμβατός με τα παρακάτω τηλεχειριστήρια
210 555 0219
info@nextsystems.gr








